公司地址:襄陽市樊城區春園西路賈洼工業園 郵箱:xfycdq@163.com

TIME:2021-09-02概述:水電阻的基本原理:靠溶解在水中的電解質(Na2CO3)離子導電,電解質充滿于兩個平面極板之間,構成一個電容狀的導電體,自身無感性元件,故與頻敏、電抗器等起動設備相比,有提高電動機的功率因數,節能降耗的功能。水電阻串入電動機定子回路以后,不僅能改變電動機的轉差率S,達到調速的目的,還能增加電動機起動時的轉矩,減小起動電流。具有平滑無級調速,并可使
TIME:2021-09-02概述:水阻,顧名思義,即水電阻(又被稱為液阻柜)。此技術最早發源于日本,在1985年上半年被引進到中國,在當今大容量電機上得到廣泛的應用,現階段比較適合中國的國情。由于電動機直接起動時,起動電流會達到電機額定電流的7~8倍,一般上一級變壓器的容量都承受不了,特別是大功率的電機,必須加裝起動設備,否則會造成變壓器局部下跳閘。早先的起動設備,主要有:電阻
TIME:2021-08-26概述:水電組的優點1、大中型繞線異步電動機進行無級調速,調速比可達2:1;2、用作電動機啟動,具備啟動電流小,啟動平穩等優點;3、與變頻調速,可控硅串級調速相比,更經濟可靠實用,且維護簡單。水電阻的缺點1、通過調節極板距離改變電阻,精度和靈敏度低;2、需要經常加水;3、環境溫度變化對啟動特性有影響,一般需要加裝空調。
TIME:2021-09-30概述:各單位、各部門:根據上級有關文件精神,結合我公司實際情況,現將2021年國慶節放假相關事宜通知如下:一、放假時間10月1日至7日放假調休,共7天。9月26日(星期日)、10月9日(星期六)上班。二、各生產小組需確保正常完成生產任務和約定發貨,可根據各自情況自行安排放假時間。三、節日期間,需注意以下事項:1、公司各單位要妥善安排各自的工作任務,在節前組織一次
TIME:2021-08-09概述:水阻起動柜是近年來運用比較廣泛的電機起動設備。水阻,也就是液體電阻(在水中添加電解粉構成水電阻),顧名思義就是在電機定子回路(鼠籠型電機)或轉子回路(繞線式電機)中串入液態電阻,電機在起動過程中液態電阻阻值在預定的時間內自動無級減小,直至阻值接近為零,將液阻自動切除,電機投入正常運行,每小時最多可以啟動2-3次。水阻柜運行過程:高壓開關柜
水阻柜在工礦企業是常見的設備,不管是風機、水泵、空壓機,還是球磨機、破碎機、軋鋼機等,水阻柜都以它獨特地啟動效果相伴設備之旁,較高的性價比受到用戶的親賴。新買的水阻柜一般由廠家提供調試服務,源創電氣售出的水阻柜、進相器及其他設備還會對用戶提供技術培訓,以便維修電工能掌握基本原理及維護,那么水阻柜調試的關鍵任務就是配好阻值,因為它直接關系到水阻柜的啟動效果,那么怎樣確定水阻柜阻值呢?
水阻柜阻值
確定水阻柜的阻值首先要找到電機的參數,然后根據電機的參數計算水阻柜的阻值。下面我們看一個電機型號參數:

把上面的數據代入公式R0=(U2e/I2e)(1/n-1/m)M
式中:U2e:電機轉子回路的開路電壓(V),I2e:電機轉子回路的額定電流(A),m:直接起動電流倍數,n:帶液阻起動電流倍數,M:起動轉矩,根據以上數據來計算出水阻柜的阻值為0.94歐。

時間久了都是任何設備工作一段時間都需要維護,水阻柜也一樣,工作久了由于液體揮發需要補水,工作一年以上都需要重新配置阻值。如其他啟動設備一樣,水阻柜的工作原理也是降壓啟動。
水阻柜阻值配制
(1) 先將動極板置于起動位置(即上限位置),將準備好的水注入到水箱規定位置的2/3左右,注意三格液位要基本相等;
(2) 稱一定數量電解粉(電解粉稱取量參照附表達式);
(3) 先向盆或桶等容器內倒入備好的水,水不超過容器容積2/3,取所稱電液粉1/3慢慢倒入容器內并不停攪拌至電液粉完全溶解,然后倒入電阻箱的一相中,部分溶解不了的塊狀物加熱水溶解,此后若仍有少量不溶物,可棄之不用。如電液粉太多而容器容積太小可分幾次溶解;
(4) 重復步驟(3)將電液粉溶入其它兩相中;
(5) 分別向液阻箱內加水至要求液位(液位大約離電阻箱上蓋板60mm);
(6) 扳動試驗按鈕,使極板上下運動二、三次,使箱內電阻液攪拌均勻;
(7) 用干凈的布擦凈電阻箱外的水漬。
(8) 液體電阻的測量

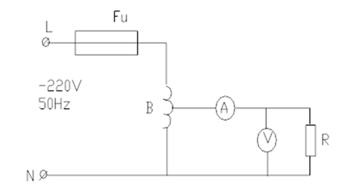
將液體電阻的活動極板移動位置后,通過自耦變壓器給每相動靜極板之間通以50HZ電,電流從0開始逐漸增大至5A左右電流I(A),記下電流表A的讀數,并測量兩極之間壓降V(V),測液體電阻值為:R(Ω)=V(V)/I(A)測量電路如下:

圖中,FU:熔斷器2A A:交流電流表5A,0.5級;B:調壓器5KVA;V:交流電壓表0.5級,測得的R值應接近R0計算值,允許有5%的誤差。
(9) 電阻的調整如偏大應增大電阻液濃度,否則應降低其濃度,調節方法是用軟管抽出部分溶液加水或電液粉。
注:(1)測電阻時動極板一定在上限位,且轉子線路與電阻箱斷開;
(2)電阻液應攪拌均勻后再測;
(3)調壓器相線、零線不可接反。
上一篇:液體電阻起動柜工作原理
下一篇:YCCK磁控軟啟動柜工作原理
(不想等待可點擊按鈕通過QQ進行溝通,或直接電聯。)
關閉